行业知识

  • 空分分子筛KW10-A系列阀门故障分析维修总结知识

    故障简述: 11月6日晚上小雨转小雪,气温骤降,15小时内环境温度由14.1℃降至-3.6℃。从11月7日凌晨5:20开始,A2/A3/A1分子筛在切换的时候,相继出现部分阀门故障无法动作的情况。如果分子筛吸附时间超过正常吸附时间的1.5倍,将会触发联锁。操作员紧急使用临时工具对现阀门场进行操作,并通知工程师到现场进行检查。

    2022-04-29 KWZK

  • 电机双重联锁正反转控制知识分享

    电机双重联锁正反转控制知识分享

    2022-04-28 时博体育在线注册,时博体育(中国)电气

  • 矿井提升机控制系统故障处理知识分享

    矿井提升机控制系统故障处理知识分享

    2022-04-28 时博体育在线注册,时博体育(中国)设备

  • 配电室绝缘垫的技术要求规范知识分享

    配电室绝缘垫的技术要求规范知识分享

    2022-04-28 时博体育在线注册,时博体育(中国)电气

  • 直流串电与直流接地故障判断与简单查找方法知识

    直流串电与直流接地故障判断与简单查找方法知识

    2022-04-28 时博体育在线注册,时博体育(中国)电气

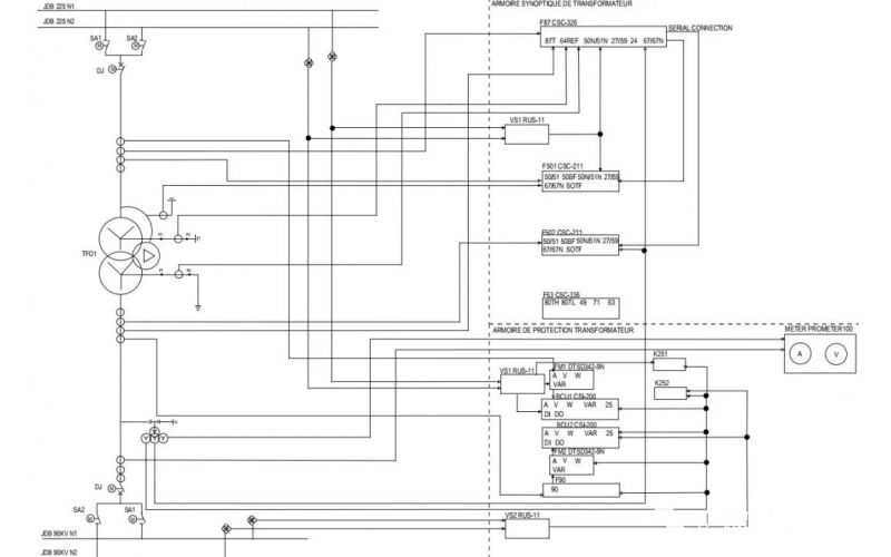
  • 变压器间隔使用225kv母线电压与90kv母线实现检同期的研究知识

    变压器间隔使用225kv母线电压与90kv母线实现检同期的研究知识

    2022-04-28 时博体育在线注册,时博体育(中国)电气

  • KS-BJ系列温度传感器温度计表插深原则知识分享

    温度计套管的插入深度应保证测温元件的端点位于被测介质温度变化的灵敏区域。在管道内安装时,插入深度宜位于管道直径的1/3到1/2处,并且应至少插入管道内50mm;在容器内安装时,插入深度距容器内壁宜至少150mm,但对于带有搅拌器的容器插入深度可适当缩短。

    2022-04-27 时博体育在线注册,时博体育(中国)自控

  • JKN-200系列浮筒液位计知识解析

    工作原理: 浸在液体中的浮筒受到向下重力,向上的浮力和向上的扭力管扭力的作用。当这三个力平衡时,浮筒就静止在某一位置。因为扭力管扭力的不同对带动扭芯转过不同的角度,经过角度传感器感知角度的变化来显示测量液(界)位的高度。

    2022-04-27 时博体育在线注册,时博体育(中国)自控

首页
产品
新闻
联系