锅炉风门、摆动燃烧器气动执行机构 现场指导调试规程分享
2023-05-11 时博体育在线注册,时博体育(中国)
如何解决变频器对仪表设备干扰
110kV线路间隔保护检验分享
2023-05-10 时博体育在线注册,时博体育(中国)
系统接地接对控制系统的影响!
在HMI上显示PLC代码流程的方法分享
为何控制系统需要信号隔离器?
2023-05-09 时博体育在线注册,时博体育(中国)
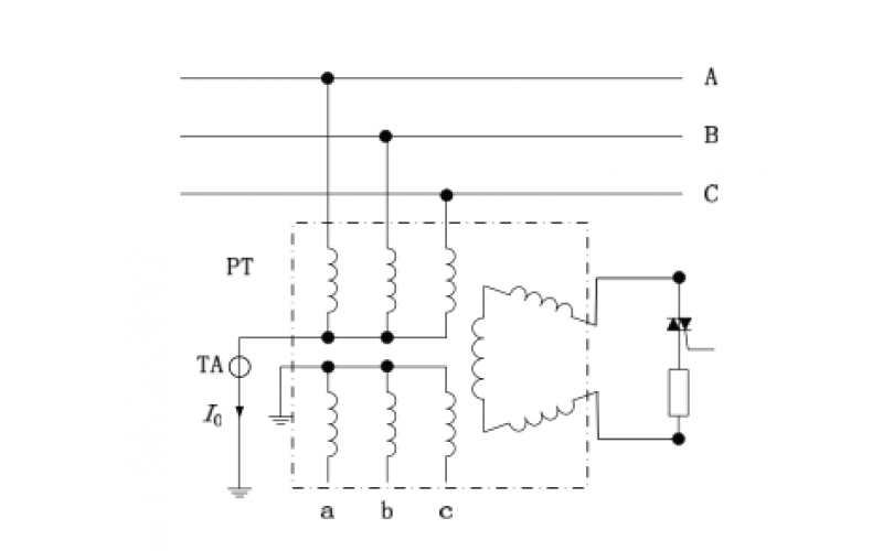
微机消谐装置消谐原理知识分享
主变中性点绝缘方式及倒闸操作