酸碱度计使用说明
2022-03-23 时博体育在线注册,时博体育(中国)
重整再生氧含量分析仪使用说明
聚丙烯微量氧分析仪使用说明
色谱分析仪使用说明ABB
丙烯分析仪使用说明
COD分析仪使用说明
2022-03-22 时博体育在线注册,时博体育(中国)
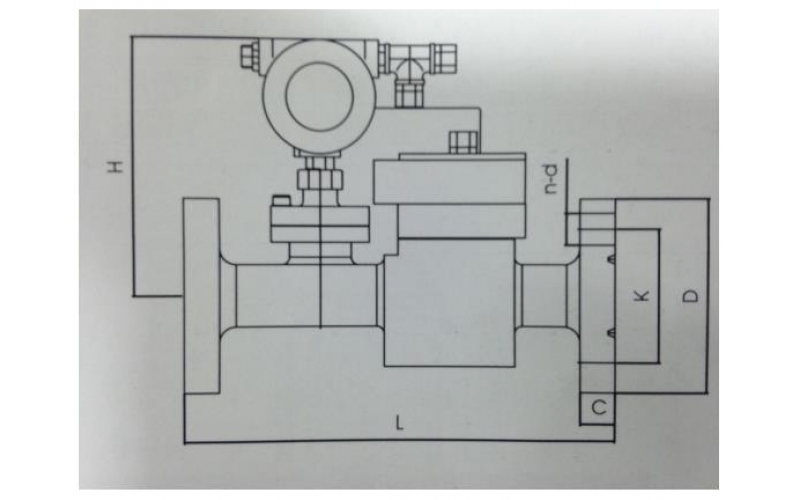
高压流量自控仪
烟气脱硫、催化、动力站CEMS系统使用说明