新闻动态

  • 无线测温系统在某项目的应用

    无线测温系统在某项目的应用

    2022-08-05 时博体育在线注册,时博体育(中国)

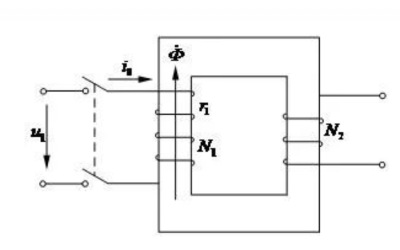
  • 变压器励磁电流大小是否可以控制

    变压器励磁电流大小是否可以控制

    2022-07-26 时博体育在线注册,时博体育(中国)电气

  • 开关柜内KW-CW200系列无线测温的偏差知识

    开关柜内KW-CW200系列无线测温的偏差知识

    2022-06-14 时博体育在线注册,时博体育(中国)电气

  • 安防监控PFW-233系列摄像头设备如何防雷防雨?

    7月下旬到8月上旬正值夏季雷暴多发季节,在近年的雷电灾害中,80%以上是内部设备包括电器、监控系统、探头等遭到损坏,一些高科技的电子设备,抗干扰的能力很弱,最爱在雷雨天“受伤”,如有的住宅小区的监控探头、对讲系统等设施根本没有防雷装置,感应雷很容易乘虚而入,击毁系统。事实上,这些高科技的电子系统必须要有特殊防护,如安装电磁屏蔽装置和防止雷电电磁脉冲及内部操作过电压对电子设备造成损坏的过电压保护装置等。

    2022-04-26 时博体育在线注册,时博体育(中国)集团

上一页1...3456789下一页 转至第
首页
产品
新闻
联系